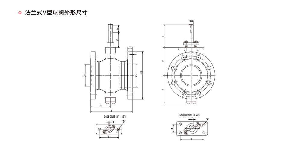
SEFORT氣動V型球閥是由SEFORT氣動執行機構和V型球閥組成,球閥的閥芯設計成帶有特殊形狀的V型缺口,具有精確的截流物性和控制功能,適用于各種控制場合,結構緊湊,體積小等優點。由于閥芯和閥座之間是無間隙回轉,所以具有很大的剪切力及自潔性能,所以氣動對夾式調節球閥適用于含有纖維性或有微小固體顆粒的懸濁液及固態顆粒狀的控制??蓮V泛用于石油、化工、造紙、化纖、電力、冶金、制藥、環保等工業部門的自控系統中。
球閥是一種重要的閥類,在石油化工和長輸管線等領域有廣泛應用。它的關閉件是一個帶孔的部分球體,球體隨閥桿轉動,實現閥門的開啟或關閉。流向可任意,可調范圍廣,能用于高壓和大口徑場合,控制高粘度,帶有纖維和細顆粒的介質。
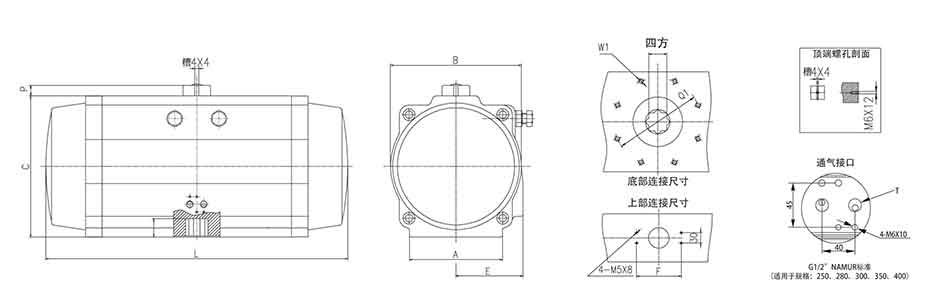
SEFORT氣動V型球閥執行器產品特點
1、硬質陽極氧化處理
氣缸采用高強度鋁合金材料,經過硬質陽極氧化處理,韌性高,不易留下劃痕
2、烤漆設計
兩端端蓋經過烤漆工藝處理,不易脫落,更好的保護缸體
3、耐腐蝕
耐腐蝕性能強,使用壽命更長久
4、流阻小
全通徑球閥,球閥流體阻力小,采用全通徑基本沒有流阻
5、專業性強
廣泛應用于石油、冶金、電力、水利、新能源等工況
6、標準鑄造
標準鑄造,鏈接支架,更精準,無間隙
7、標準化
國標,美標,日標
